


1 - 851817 - 1 - Washer
2 - 354710X1 - 2 - Bolt Unc 3/4"-10 X 2
3 - 353440X1 - 6 - Lock Washer 3/4"
4 - 353728X1 - 6 - Bolt Unc 5/8"-11 X 2
5 - 353433X1 6 Lock Washer 5/8"
6 - 375099X1 - 6 - Nut Unc 5/8"-11
7 - W247647B - 2 - Bearing Assy
8 - N858468 - 1 - Trunnion Left Hand
9 - N851816 - 1 - Bush (8)
10 - 354601X1 - 4 - Bolt Unc 1/4"-20 X 1-3/4
11 - 70923358 - 4 - Locknut 1/4"-20
12 - 851818 - 1 - Washer
13 - N858467 - 1 - Trunnion Right Hand
14 - N851816 - 1 - Bush (13)
15 - 375100X1 - 4 - Nut Unc 3/4"-10
16 - N12701 - 2 - Washer 3/4"
17 - 851364 - 2 - Bolt 3/4"-10
18 - N856661 - 1 - Support
19 - 827410 - 1 - Valve
20 - 854949 - 1 - Wheel W15 X 6
21 - N856658 - 1 - Arm
22 - 353693X1 - 4 - Bolt Unc 3/8"-16 X 1-1/4
23 - 353434X1 - 4 - Lock Washer 3/8"
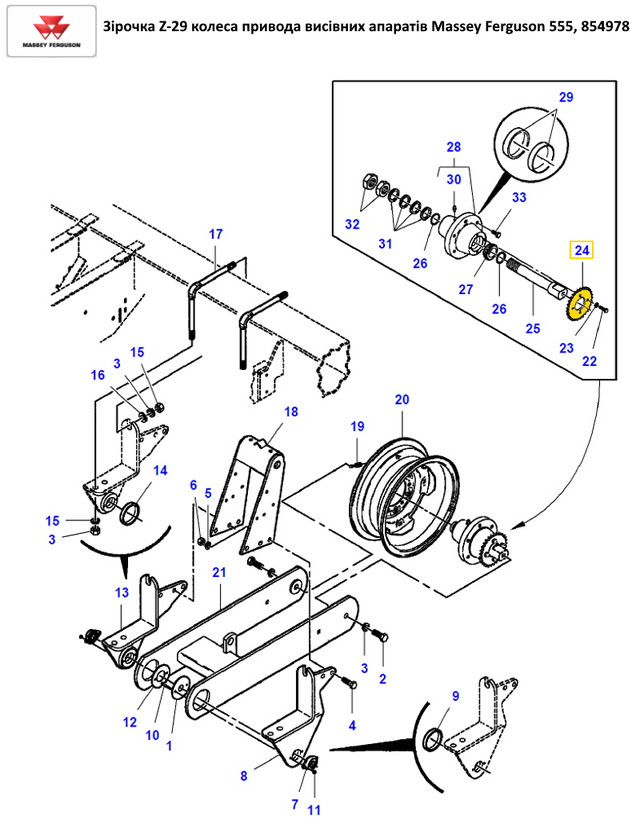
24 - 854978 - 1 - Sprocket Number of teeth/spines 29
25 - N857267 - 1 - Spindle
26 - 70924791 - 2 - O Ring
27 - 71127426 - 2 - Bearing Cone
28 - 854986 - 1 - Hub
29 - 70937210 - 2 - Bearing Cup (28)
30 - 70914465 - 1 - Grease Fitting (28)
31 - NK1783 - 4 - Washer
32 - W915096-4 - 2 - Nut
33 - 26328 - 6 - Bolt Unf 9/16"-18
Безналичный расчёт
Наличный расчёт
Наложенный платеж
Предоплата
Новая Почта
Самовывоз
Интайм
Автолюкс
Гюнсел
Ночной Экспресс
Повернення і обмін
Відповідно до закону України «про захист прав споживачів» ви можете протягом 14 днів з моменту покупки повернути або обміняти товар, придбаний в магазині, за умови виконання всіх норм передбачених законом. Умови обміну / повернення товару належної якості стаття 9. Відповідно до закону України «про захист прав споживачів»: споживач має право обміняти непродовольчий товар належної якості на аналогічний у продавця, у якого він був придбаний, якщо товар не задовольнив його за формою, габаритами, фасоном, кольором, розміром або з інших причин не може бути ним використаний за призначенням. Споживач має право на обмін товару належної якості протягом чотирнадцяти днів, не рахуючи дня покупки. споживач (термін вживається в такому значенні згідно статті 1. п.22 закону України «про захист прав споживачів») – фізична особа, яка купує, замовляє, використовує або має намір придбати чи замовити продукцію для особистих потреб, не пов’язаних з підприємницькою діяльністю або виконанням обов’язків найманого працівника. обмін або повернення товару належної якості провадиться: якщо не використовувався; якщо збережено його товарний вигляд, споживчі властивості, пломби, ярлики; на підставі розрахунковий документ, виданий споживачеві разом з проданим товаром. умови обміну / повернення товару неналежної якості стаття 8. Згідно із законом України «про захист прав споживачів»: в разі виявлення протягом встановленого гарантійного строку недоліків споживач, в порядку та в строки, встановлені законодавством, має право вимагати безоплатного усунення недоліків товару в розумний строк. вимоги споживача, передбачених цією статтею, не підлягають задоволенню, якщо продавець, виробник (підприємство, що задовольняє вимоги споживача, встановлені частиною першою цієї статті) доведуть, що недоліки товару виникли внаслідок порушення споживачем правил користування товаром або його зберігання. Споживач має право брати участь у перевірці якості товару особисто або через свого представника.