применяется на жатку Geringhoff PCA, Geringhoff Mais Star SC



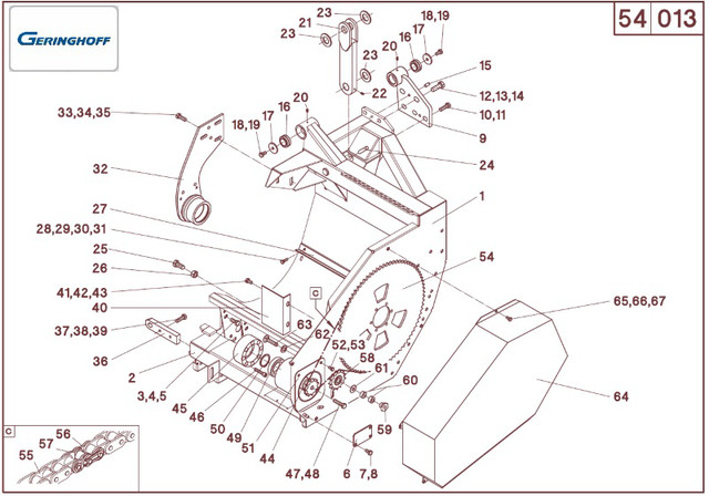
1 ... 386000
1 ... 386002
1 ... 386001
2 ... 586021
2 ... 586025
2 ... 586023
3 ... 040496... M12x30 - DIN 933
4 ... 040203 ... 13 - DIN 125
5 ... 040010 ... M12 - DIN 985
6 ... 586164
7 ... 040497 ... M10x20 - DIN 933
8 ... 040231 ... M - 10,2x22,25x2,75 - DIN 1524
9 ... 586223
10 ... 040455 ... M12x40 - DIN 933
11 ... 040208 ... 13 - DIN 433
12 ... 040603 ... M16x45 - DIN 933 12.9
13 ... 040209 ... 17 - DIN 433
14 ... 040017 ... M16 - DIN 934
15 ... 041199 ... 10x20 - DIN 1481
16 ... 025015 ... GE 30 DO
17 ... 040371 ... 45/11x5
18 ... 040231 ... M - 10,2x22,25x2,75 - DIN 1524
19 ... 040497 ... M10x20 - DIN 933
20 ... 026379 ... M6
21 ... 586215
22 ... 026379 ... M6
23 ... 040271 ... 31 - DIN 125
24 ... 041048 ... 12x60 - DIN 1481
25 ... 040532 ... M16x35 - DIN 933
26 ... 040017 ... M16 - DIN 934
27 ... 510202 ... 660 mm
27 ... 510206 ... 535 mm
27 ... 510204 ... 785 mm
28 ... 040444 ... M8x20 - DIN 933
29 ... 040201 ... 8.4 - DIN 125
30 ... 040159 ... M - 8,2x18,2x2,35 - DIN 1524
31 ... 040014 ... M8 - DIN 934
32 ... 313503
33 ... 040491 ... M12x35 - DIN 933
34 ... 040203 ... 13 - DIN 125
35 ... 040010 ... M12 - DIN 985
36 ... 586235
37 ... 040455 ... M12x40 - DIN 933
38 ... 040203 ... 13 - DIN 125
39 ... 040124 ... M - 12,4x27,25x3,05 - DIN 1524
40 ... 510221 ... 120 mm
41 ... 040497 ... M10x20 - DIN 933
42 ... 040202 ... A10,5 - DIN 125
43 ... 040231 ... M - 10,2x22,25x2,75 - DIN 1524
44 ... 529060 ... Z=11-3/4" - 62,3 mm
44 ... 529062 ... Z=11-3/4" - 187,3 mm
45 ... 029202 ... 48 mm
45 ... 029201 ... 105 mm
46 ... 040566 ... M10x50 - DIN 912
46 ... 040688 ... M10x110 - DIN 912
47 ... 040488 ... M12x60 - DIN 933
47 ... 040671 ... M12x180 - DIN 933
48 ... 040124 ... M - 12,4x27,25x3,05 - DIN 1524
49 ... 025052 ... 6010-2RS C3
50 ... 041082 ... 50x2 - DIN 471
51 ... 511060 ... x = 30 mm
51 ... 511062 ... x = 130 mm
52 ... 040534 ... M8x16 - DIN 933
53 ... 040008 ... M8 - DI985
54 ... 030095 ... Z=80-3/4"
55 ... 034100 ... 3/4"x100
56 ... 034000 ... 3/4"
57 ... 034001 ... 3/4"
58 ... 030021 ... Z=13-3/4"
59 ... 040027 ... M12
60 ... 010658
61 ... 040255 ... 32/13x1
62 ... 040204 ... 17 - DIN 125
63 ... 040446 ... M12x60 - DIN 603
64 ... 510216 ... 180 mm
64 ... 510218 ... 65 mm
65 ... 040534 ... M8x16 - DIN 933
66 ... 040201 ... 8,4 - DIN 125
67 ... 040159 ... M - 8,2x18,2x2,35 - DIN 1524
Безналичный расчёт
Наличный расчёт
Наложенный платеж
Предоплата
Новая Почта
Самовывоз
Интайм
Автолюкс
Гюнсел
Ночной Экспресс
Повернення і обмін
Відповідно до закону України «про захист прав споживачів» ви можете протягом 14 днів з моменту покупки повернути або обміняти товар, придбаний в магазині, за умови виконання всіх норм передбачених законом. Умови обміну / повернення товару належної якості стаття 9. Відповідно до закону України «про захист прав споживачів»: споживач має право обміняти непродовольчий товар належної якості на аналогічний у продавця, у якого він був придбаний, якщо товар не задовольнив його за формою, габаритами, фасоном, кольором, розміром або з інших причин не може бути ним використаний за призначенням. Споживач має право на обмін товару належної якості протягом чотирнадцяти днів, не рахуючи дня покупки. споживач (термін вживається в такому значенні згідно статті 1. п.22 закону України «про захист прав споживачів») – фізична особа, яка купує, замовляє, використовує або має намір придбати чи замовити продукцію для особистих потреб, не пов’язаних з підприємницькою діяльністю або виконанням обов’язків найманого працівника. обмін або повернення товару належної якості провадиться: якщо не використовувався; якщо збережено його товарний вигляд, споживчі властивості, пломби, ярлики; на підставі розрахунковий документ, виданий споживачеві разом з проданим товаром. умови обміну / повернення товару неналежної якості стаття 8. Згідно із законом України «про захист прав споживачів»: в разі виявлення протягом встановленого гарантійного строку недоліків споживач, в порядку та в строки, встановлені законодавством, має право вимагати безоплатного усунення недоліків товару в розумний строк. вимоги споживача, передбачених цією статтею, не підлягають задоволенню, якщо продавець, виробник (підприємство, що задовольняє вимоги споживача, встановлені частиною першою цієї статті) доведуть, що недоліки товару виникли внаслідок порушення споживачем правил користування товаром або його зберігання. Споживач має право брати участь у перевірці якості товару особисто або через свого представника.