


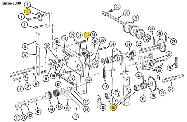
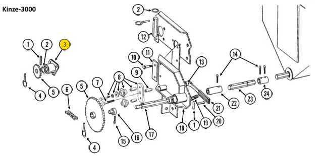
1.- GD12571 - Spacer, 1" x 4"
2.- GA7154 - 1 - Sprocket W/Bearing, 18 Tooth
3.- G10033 - 1 - Hex Head Cap Screw, 1/2"-13
x 3 1/2"
G10128 - Machine Bushing,
1/2", 14 Gauge (As Required)
G10228 - 1 - Lock Washer,
1/2"
G10102 - 1 - Hex Nut,
1/2"-13
4.- G10053 - 1 - Hex Head Cap Screw, 1/2"-13 x 2
1/2"
G10228 - 1 - Lock Washer,
1/2"
G10102 - 1 - Hex Nut,
1/2"-13
5.- GD5827 - 1 - Cover
6.- GD5829 - 1 - Arm
7.- G10053 - 1- Hex Head Cap Screw, 1/2"-13 x
2 1/2"
G10128 - Machine Bushing,
1/2", 14 Gauge (As Required)
G10228 - 1 - Lock Washer,
1/2"
G10102 - 1 - Hex Nut,
1/2"-13
8.- GD4887-01 - 1 - Sleeve, 1/2" I.D. x 5/8"
Long
9.- GA5105 - 1 - Sprocket, 15 Tooth
10.- G10233 - Machine Bushing, 1", 10 Gauge
11.- G10303 - 3 - Carriage Bolt, 5/16"-18 x 1"
G10232 - 3 - Lock
Washer, 5/16"
G10106 - 3 - Hex Nut,
5/16"-18
12. -G10037 - 3 - Hex Head Cap Screw, 1/2"-13 x 1
1/4"
G10228 - 3 - Lock
Washer, 1/2"
G10102 - 3 - Hex Nut,
1/2"-13
13.- GD6793 - 2 - Stud, 5/8"-11 x 9 1/2" (Threaded
Both Ends)
G10230 - 4 - Lock
Washer, 5/8"
G10107 - 4 - Lock Nut,
5/8"-11
14.- G3310-92 - 1 - Chain, No. 40, 92
Pitch Including Connector Link
G3310-100 - Chain, No.
40, 100 Pitch Including Connector Link,
Used With Half Rate (2 To 1) Drive
Reduction
GR0912 - Connector Link, No.
40
15.- GD14431 - 1 - Handle
16.- G11078 - 1 - Vinyl Cap
17.- GD5857 - 2 - Spring
18.- GA5629 - 1 - Transmission Plate W/Bearings,
Grease Fittings And Retaining Rings
GA5116 - 3 - Bearing,
7/8" Hex Bore, Cylindrical
GA5624 - 1 -
Special Bearing, 7/8" Hex Bore x 1.6"
GD6551 - 4 - Ring
G10640 - Grease Fitting,
1/4"-28
19.- GD7127 - 1 - Shear Coupler
20.- G10462 - 1 - Cotter Pin, 3/16" x 2"
21.- GA5106 - 1 - Sprocket, 17 Tooth
GA5107 - 1 - Sprocket,
19 Tooth
GA5108 - 2 - Sprocket,
23 Tooth
GA5109 - 1 - Sprocket,
24 Tooth
GA5110 - 1 - Sprocket,
25 Tooth
GA5111 - 1 - Sprocket,
26 Tooth
GA5112 - 1 -
Sprocket, 27 Tooth
GA5113 - 1 - Sprocket,
28 Tooth
22.- GD7822 - 1 - Shaft, 7/8" x 7"
23.- G11100 - 1 - Hex Socket button Head
Screw, 1/4"-20 x 1/2", Grade 8
G10227 - 1 - Lock
Washer, 1/4"
G10209 - 1 - Washer,
1/4" USS
24.- G10496 - 2 - External Inverted Snap Ring, 1
1/2"
25.- GA7336 - 1 - Idler W/Bolt-On Sprockets
GD7426 - Sprocket, 12
Tooth
GD1026 - Sleeve, 1
3/16" Long
G10210 - Washer, 3/8"
USS
G10229 - Lock Washer,
3/8"
G10047 - Hex Head Cap
Screw, 3/8"-16 x 1 3/4"
26.- G3310-80 - 1 - Chain, No. 40, 80 Pitch
Including Connector Link
GR0912 - Connector Link, No.
40
27.- G11075 - 3 - Internal Inverted Snap Ring,
7/8"
28.- GD2558 - 3 - Lynch Pin, 1/4"
29.- G10602 - 5 - Spring Pin, 1/4" x 1 1/2"
30.- GA5146 - 1 - Sprocket Storage Rod
31.- G10017 - 1 - Hex Head Cap Screw, 1/2"-13 x 1
1/2"
G10527 - 1 - Lock
Washer, 1/2" Internal/External
G10111 - 1 - Lock Nut,
1/2"-13
32.- GD5835 - 1 - Shaft, 7/8" x 7"
33.- G10478 - 1 - Clevis Pin, 5/16" x 1"
G10409 - 1 - Retaining
Ring, 5/16"
34.- G10001 - 1 - Hex Head Cap Screw, 3/8"-16 x
1"
G10229 - 1 - Lock
Washer, 3/8"
G10203 - Washer, 3/8"
SAE (As Required)
G10210 - Washer, 3/8"
USS (As Required)
GD5756 - 1 -
Special Nut, 3/8"-16
35.- GA5106 - 1 - Sprocket, 17 Tooth, Standard
Drive
GA5202 - Sprocket, 34
Tooth, Half Rate (2 To 1) Drive Reduction
36.- G10460 - 1 - Cotter Pin, 1/4" x 2"
37.- G2100-03 - 1 - Bearing, 7/8" Hex Bore,
Spherical
38.- G3400-01 - 2 - Flangette
39.- GD5830 - 1 - Angle Support, R.H.
40.- GD5824 - 1 - Plate, R.H.
41.- GD14430 - 1 - Release Collar, Gold, R.H.
42.- GD14427 - 1 - Tightener Shaft
43.- GD14432 - 1 - Sleeve, 1 1/4"
44.- GD14413 - 1 - Torsion Spring, L.H. (Used On
R.H. Wrap Spring Wrench)
A.- G1K378 - Wrap Spring Wrench Replacement Kit,
Gold Collar, R.H. (Items 15, 16, 23,
24, 27 And 41-44)
Безналичный расчёт
Наличный расчёт
Наложенный платеж
Предоплата
Новая Почта
Самовывоз
Интайм
Автолюкс
Гюнсел
Ночной Экспресс
Повернення і обмін
Відповідно до закону України «про захист прав споживачів» ви можете протягом 14 днів з моменту покупки повернути або обміняти товар, придбаний в магазині, за умови виконання всіх норм передбачених законом. Умови обміну / повернення товару належної якості стаття 9. Відповідно до закону України «про захист прав споживачів»: споживач має право обміняти непродовольчий товар належної якості на аналогічний у продавця, у якого він був придбаний, якщо товар не задовольнив його за формою, габаритами, фасоном, кольором, розміром або з інших причин не може бути ним використаний за призначенням. Споживач має право на обмін товару належної якості протягом чотирнадцяти днів, не рахуючи дня покупки. споживач (термін вживається в такому значенні згідно статті 1. п.22 закону України «про захист прав споживачів») – фізична особа, яка купує, замовляє, використовує або має намір придбати чи замовити продукцію для особистих потреб, не пов’язаних з підприємницькою діяльністю або виконанням обов’язків найманого працівника. обмін або повернення товару належної якості провадиться: якщо не використовувався; якщо збережено його товарний вигляд, споживчі властивості, пломби, ярлики; на підставі розрахунковий документ, виданий споживачеві разом з проданим товаром. умови обміну / повернення товару неналежної якості стаття 8. Згідно із законом України «про захист прав споживачів»: в разі виявлення протягом встановленого гарантійного строку недоліків споживач, в порядку та в строки, встановлені законодавством, має право вимагати безоплатного усунення недоліків товару в розумний строк. вимоги споживача, передбачених цією статтею, не підлягають задоволенню, якщо продавець, виробник (підприємство, що задовольняє вимоги споживача, встановлені частиною першою цієї статті) доведуть, що недоліки товару виникли внаслідок порушення споживачем правил користування товаром або його зберігання. Споживач має право брати участь у перевірці якості товару особисто або через свого представника.