Каталог товарів

Апарати ємнісні зварні вертикальні

в наявності
0,00 грн.
Замовити в один клік
Регіон: Україна, Житомирська обл., Коростень
Написати продавцю
Перевірений постачальник
На Агробіз
15 Років
Опис товару

Наше підприємство займається виготовленням та реалізацією ємнісного та теплообмінного обладнання, а також апаратів повітряного охолодження. Обладнання виготовляється відповідно до ГОСТів та має сертифікати.

Виготовляємо обладнання з вуглецевої, корозійностійкої та спеціальної сталей, титану і сплавів з нанесенням внутрішніх захисних покриттів. 

Ємкості сталеві для газу

Найменування обладнання Призначення
Ресивер дренажний вертикальний
РДВ - 1,5
РДВ - 2,5
РДВ - 3,5
РДВ - 5
Призначені для тимчасового прийому рідкого холодоагенту (аміаку) з охолоджувальних пристроїв і апаратів холодильних установок
Ресивер дренажний горизонтальний
РД - 0,75
РД - 1,5
РД - 2,5
РД - 3,5
РД - 5
Призначені для зливу рідкого аміаку з систем холодильних установок загальнопромислового призначення
Ресивер лінійно-дренажний
РЛД - 2,0
РЛД - 4,0
РЛД - 8,0
РЛД - 12,0
Для відведення сконденсованого холодоагенту (аміаку) з конденсатора, а також можуть використовуватися для зберігання рідкого аміаку
Ресивер компаудно-циркуляційний
РКЦ - 2.0Р
РКЦ - 4,0
РКЦ - 8,0
РКЦ - 12,5
РКЦ -20,0
Використовується як проміжна посудина з повним переохолодженням рідкого аміаку, а також як циркуляційний посудину для насосної подачі рідкого аміаку до випарним апаратів боку проміжного тиску в складі стаціонарних холодильних установок двоступеневого стиснення
Ресивер циркуляционно-захисний
РЦЗ - 2,0
РЦЗ - 4,0
РЦЗ - 8,0
РЦЗ - 12,5
РЦЗ - 20,0
Призначені для зберігання запасу холодоагенту з метою забезпечення нормальної роботи холодильної установки, а також для прийому холодоагенту в разі викиду його з батарей
Віддільник рідини
70-ВРВ
100-ВРГ
125-ВРГ
150-ВРГ
200-ВРГ
Призначені для відділення рідкої фази з парорідииної аміачної суміші з метою захисту компресора від гідравлічних ударів, від роботи на вологому ході, і використовуються в холодильних установках загальнопромислового призначення холодопродуктивністю від 116 до 1400 кВт, що працюють на аміаку і хладонах.
Масловіддільники вертикальні
50МА
80МА
100МА
125М
150М
200М
300М
Призначені для відділення масла, захоплюваного парами холодильного агента з компресора, щоб уникнути попадання його у великих кількостях в теплообмінні апарати
Проміжна посудина
40-ППЗ
ППА-600
ППА-800
Призначені для повного проміжного охолодження пара холодильного агента після низькому ступені стиснення, для переохолодження рідини перед дроселюванням, а також грають роль віддільника рідини
Масловіддільник
МВ-100
МВ-150
МВ-200
Призначені для відділення масла, захоплюваного парами холодоагенту з компресора, щоб уникнути попадання його у великих кількостях в теплообмінні апарати

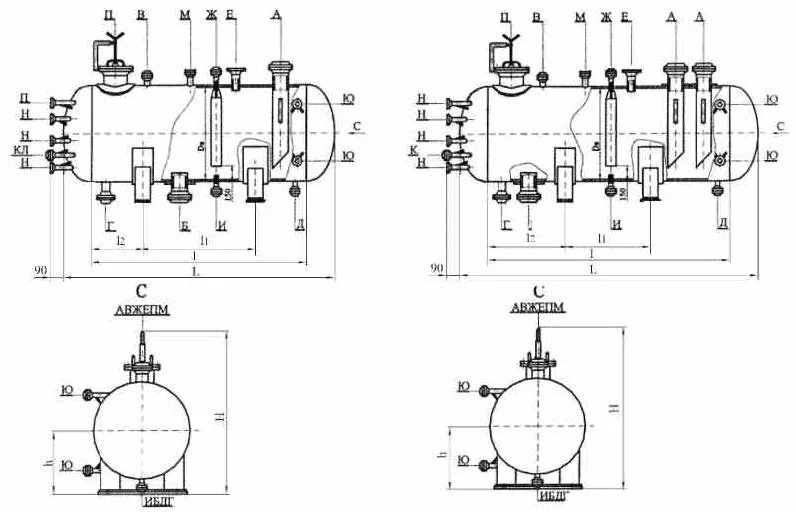
Реалізуємо апарати ємнісні циліндричні для газових і рідких середовищ з номінальними обсягами від 2 до 50 м3, з умовними тисками від 0,8 до 2,5 МПа (від 8 до 25 кгс/см2) і температурою середовища від мінус 60 до 200 °С, застосовуються в технологічних установках хімічної, нафтохімічної, нафтопереробної, нафтовій і газовій галузях промисловості.

Вимоги до рідин, щодо використання ємнісних апаратів:

  • Шкідливість речовин, що зберігаються не повинна перебільшувати класу небезпеки 2 ГОСТ 12. 1.007-76.
  • Щільність рідини не більше 1000 кг/м3.
  • Температура рідин не повинна перевищувати температуру кипіння рідини при робочому тиску та не повинна перевищувати пружність парів рідини, який може перевищити робочий тиск.
  • Апарати не призначені для зберігання зріджених вуглеводневих газів в складських умовах.
  • Апарати призначені для установки до V включно географічних районах по швидкісним напором вітру, сейсмічністю до 8 балів включно згідно СНиП 2.01.07-85 і СНиП II-7-81.
  • Апарати застосовуються в районах з помірним, холодним і тропічним кліматом.
  • Кліматичне виконання апаратів при поставці в райони з помірним або холодним кліматом - УХЛ1, з тропічним кліматом - Т1 по ГОСТ 15150-69.

Виготовляються три типи апаратів:

Тип 1- горизонтальні для рідких середовищ;
Тип 2 вертикальні для рідких середовищ;
Тип 3 - вертикальні для газових середовищ.

читати далі згорнути
Характеристики
Матеріал
Нержавіюча сталь
Виды
Місткості для хімічної продукції
Країна виробник
Україна
читати далі згорнути
Варіанти оплати

Безналичный расчёт

Наличный расчёт

Наложенный платеж

Предоплата

Варіанти доставки

Новая Почта

Самовывоз

Интайм

Автолюкс

Гюнсел

Ночной Экспресс

Повернення і обмін
Відповідно до закону України «про захист прав споживачів» ви можете протягом 14 днів з моменту покупки повернути або обміняти товар, придбаний в магазині, за умови виконання всіх норм передбачених законом. Умови обміну / повернення товару належної якості стаття 9. Відповідно до закону України «про захист прав споживачів»: споживач має право обміняти непродовольчий товар належної якості на аналогічний у продавця, у якого він був придбаний, якщо товар не задовольнив його за формою, габаритами, фасоном, кольором, розміром або з інших причин не може бути ним використаний за призначенням. Споживач має право на обмін товару належної якості протягом чотирнадцяти днів, не рахуючи дня покупки. споживач (термін вживається в такому значенні згідно статті 1. п.22 закону України «про захист прав споживачів») – фізична особа, яка купує, замовляє, використовує або має намір придбати чи замовити продукцію для особистих потреб, не пов’язаних з підприємницькою діяльністю або виконанням обов’язків найманого працівника. обмін або повернення товару належної якості провадиться: якщо не використовувався; якщо збережено його товарний вигляд, споживчі властивості, пломби, ярлики; на підставі розрахунковий документ, виданий споживачеві разом з проданим товаром. умови обміну / повернення товару неналежної якості стаття 8. Згідно із законом України «про захист прав споживачів»: в разі виявлення протягом встановленого гарантійного строку недоліків споживач, в порядку та в строки, встановлені законодавством, має право вимагати безоплатного усунення недоліків товару в розумний строк. вимоги споживача, передбачених цією статтею, не підлягають задоволенню, якщо продавець, виробник (підприємство, що задовольняє вимоги споживача, встановлені частиною першою цієї статті) доведуть, що недоліки товару виникли внаслідок порушення споживачем правил користування товаром або його зберігання. Споживач має право брати участь у перевірці якості товару особисто або через свого представника.

читати далі згорнути
Покупці цього товару також цікавилися
Ціну уточнюйте
в наявності
ТОП
продажу
Ціну уточнюйте
в наявності
Ціну уточнюйте
в наявності
Ціну уточнюйте
в наявності
Ціну уточнюйте
в наявності
Ціну уточнюйте
в наявності

Ви переглядали

Зараз шукають

Спецрахунок НБУ
Фонд "Повернись живим"
Фонд Сергія Притули
Ще не зареєстровані?
Реєстрація
Вже зареєстровані? Увійти
Вже зареєстровані? Увійти