Каталог товарів

Сталеві резервуари для зберігання газів

в наявності
0,00 грн.
Замовити в один клік
Регіон: Україна, Житомирська обл., Коростень
Написати продавцю
Перевірений постачальник
На Агробіз
15 Років
Опис товару

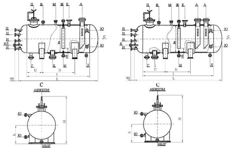
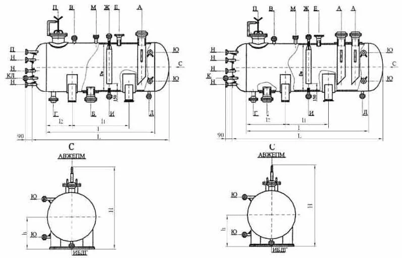
ПрАТ «Хіммаш» займається виготовленням сталевих резервуарів для зберігання газів, які часто використовуються у хімічній, нафтовій, нафтопереробній, нафтохімічній та газовій галузях промисловості.

Герметичність ємнісного устаткування одна із необхідних умов, оскільки треба запобігти потрапляння продуктів у довкілля. При використанні резервуарів для газу потрібно дотримуватись екологічних норм.

Вимоги до рідин з використання сталевих резервуарів для зберігання газів:

  • Апарати застосовуються в районах з помірним, холодним та тропічним кліматом.
  • Кліматичне виконання апаратів при постачанні в райони з помірним або холодним кліматом - УХЛ1, з тропічним кліматом - Т1 за ГОСТ 15150-69.
  • Апарати не призначені для зберігання скраплених вуглеводневих газів у складських умовах.
  • Апарати призначені для встановлення в V включно географічних районах за швидкісним натиском вітру, сейсмічності до 8 балів включно за СНіП 2.01.07-85 та СНіП II-7-81.
  • Температура рідин не повинна перевищувати температури кипіння рідини при робочому тиску і не повинна перевищувати пружність парів рідини, яка може перевищити робочий тиск.
  • Шкода речовин, що зберігаються, не повинна перевищувати класу небезпеки 2 ГОСТ 12. 1.007-76.
  • Щільність рідини трохи більше 1000 кг/м³.

Резервуари для зберігання газів, що пропонуються нашою компанією, відрізняються зручністю та простотою у використанні, надійно забезпечують високий рівень безпеки.

Виробництво обладнання для хімічної промисловості - це головний напрямок діяльності ПрАТ "Хіммаш". У нашому каталозі представлений широкий асортимент товарів. У нас Ви можете купити кульові крани, сталеві резервуари для зберігання газів, водяні повітронагрівачі та апарати повітряного охолодження.

читати далі згорнути
Характеристики
Країна виробник
Україна
Виды
Місткості для хімічної продукції
Матеріал
Нержавіюча сталь
читати далі згорнути
Варіанти оплати

Безналичный расчёт

Наличный расчёт

Наложенный платеж

Предоплата

Варіанти доставки

Новая Почта

Самовывоз

Интайм

Автолюкс

Гюнсел

Ночной Экспресс

Повернення і обмін
Відповідно до закону України «про захист прав споживачів» ви можете протягом 14 днів з моменту покупки повернути або обміняти товар, придбаний в магазині, за умови виконання всіх норм передбачених законом. Умови обміну / повернення товару належної якості стаття 9. Відповідно до закону України «про захист прав споживачів»: споживач має право обміняти непродовольчий товар належної якості на аналогічний у продавця, у якого він був придбаний, якщо товар не задовольнив його за формою, габаритами, фасоном, кольором, розміром або з інших причин не може бути ним використаний за призначенням. Споживач має право на обмін товару належної якості протягом чотирнадцяти днів, не рахуючи дня покупки. споживач (термін вживається в такому значенні згідно статті 1. п.22 закону України «про захист прав споживачів») – фізична особа, яка купує, замовляє, використовує або має намір придбати чи замовити продукцію для особистих потреб, не пов’язаних з підприємницькою діяльністю або виконанням обов’язків найманого працівника. обмін або повернення товару належної якості провадиться: якщо не використовувався; якщо збережено його товарний вигляд, споживчі властивості, пломби, ярлики; на підставі розрахунковий документ, виданий споживачеві разом з проданим товаром. умови обміну / повернення товару неналежної якості стаття 8. Згідно із законом України «про захист прав споживачів»: в разі виявлення протягом встановленого гарантійного строку недоліків споживач, в порядку та в строки, встановлені законодавством, має право вимагати безоплатного усунення недоліків товару в розумний строк. вимоги споживача, передбачених цією статтею, не підлягають задоволенню, якщо продавець, виробник (підприємство, що задовольняє вимоги споживача, встановлені частиною першою цієї статті) доведуть, що недоліки товару виникли внаслідок порушення споживачем правил користування товаром або його зберігання. Споживач має право брати участь у перевірці якості товару особисто або через свого представника.

читати далі згорнути
Покупці цього товару також цікавилися
ТОП
продажу
Ціну уточнюйте
в наявності
Ціну уточнюйте
в наявності
Ціну уточнюйте
в наявності
Ціну уточнюйте
в наявності
Ціну уточнюйте
в наявності
Ціну уточнюйте
в наявності

Ви переглядали

Зараз шукають

Спецрахунок НБУ
Фонд "Повернись живим"
Фонд Сергія Притули
Ще не зареєстровані?
Реєстрація
Вже зареєстровані? Увійти
Вже зареєстровані? Увійти