Контролер ETHERNET 750-880/025-002 WAGO, 3-е покоління; Слот для
карт пам'яті SD; Технологія телекерування; Зовнішня температура;
ECO; світло-сірі.
У комбінації з системою введення-виведення WAGO - I/O - SYSTEM
ETHERNET ПЛК використовується як програмований контроллер у складі
мереж ETHERNET.
ПЛК підтримує усі дискретні, аналогові і спеціальні модулі, що
входять в серію 750/753 і підтримує швидкість передачі даних в
10/100 Мбіт/с.
Два інтерфейси ETHERNET, а також інтегрований маршрутизатор
дозволяють вбудовувати польову шину в топологію мережі. Це дозволяє
відмовитися від використання таких додаткових мережевих пристроїв,
як маршрутизатори або концентратори. Обидва інтерфейси підтримують
функцію Auto - Negotiation (автоматичне узгодження) і Auto - MDI
(X).
DIP- перемикач конфігурує останній байт IP- адреси і може
використовуватися для привласнення IP- адреси.
ПЛК підтримує MODBUS/TCP і ETHERNET/IP для використання в
промисловому середовищі. Також він підтримує широкий перелік
стандартних протоколів ETHERNET для забезпечення простої інтеграції
в інформаційні середовища (напр., HTTP, BootP, DHCP, DNS, SNTP,
SNMP.
Інтегрований веб-сервер надає користувачеві можливість
виконувати конфігурацію з одночасним відображенням інформації про
стан ПЛК.
Програмований контроллер IEC 61131-3 способен выполнять
несколько задач, а также оснащен каналом реального времени RTC с
аварийным батарейным питанием.
Доступен 1 Мб памяти для хранения данных.
ПЛК 750-880 имеет разъем для карт памяти, что позволяет
переносить параметры устройств или файлы (напр., загрузочные файлы)
с одного контроллера на другой. Доступ к карте памяти может
выполняться через FTP, возможно ее использование в качестве
дополнительного диска.
Технічні дані:
Візуалізація веб-візи
Мови програмування згідно з МЕК 61131-3 Список інструкцій (IL)
Сходова діаграма (LD)
Функціональна блок-схема (FBD), безперервна функціональна схема
(CFC)
Структурований текст (ST)
Діаграма послідовних функцій (SFC)
Варіанти конфігурації WAGO-I/O-CHECK
Веб-управління
Бібліотека CODESYS
Швидкість передачі даних (зв'язок/польова шина 1) 10/100 Мбіт/с
Швидкість передачі 10/100 Мбіт/с
Середовище передачі (зв'язок/польова шина) крученої пари S-UTP; 100
Ом; Cat. 5; Довжина лінії (макс.): 100 м
Пам'ять програми 1024 кбайт
Пам'ять даних 1024 кБайт
Програмна енергонезалежна пам'ять 32 Кбайт
Слот для карток пам'яті
Зображення процесу введення та виведення (Fieldbus) макс. 1020 слів
/ 1020 слів
Світлодіодний індикатор (LINK/ACT) зелений: порт мережного
підключення 1…2; Світлодіод (MS, NS) червоний/зелений: стан вузла,
мережі; Світлодіод (I/O, USR) червоний/зелений/оранжевий: стан
внутрішньої шини даних, стан, програмований користувачем; Зелений
світлодіод (A, B): стан системи живлення, польове живлення
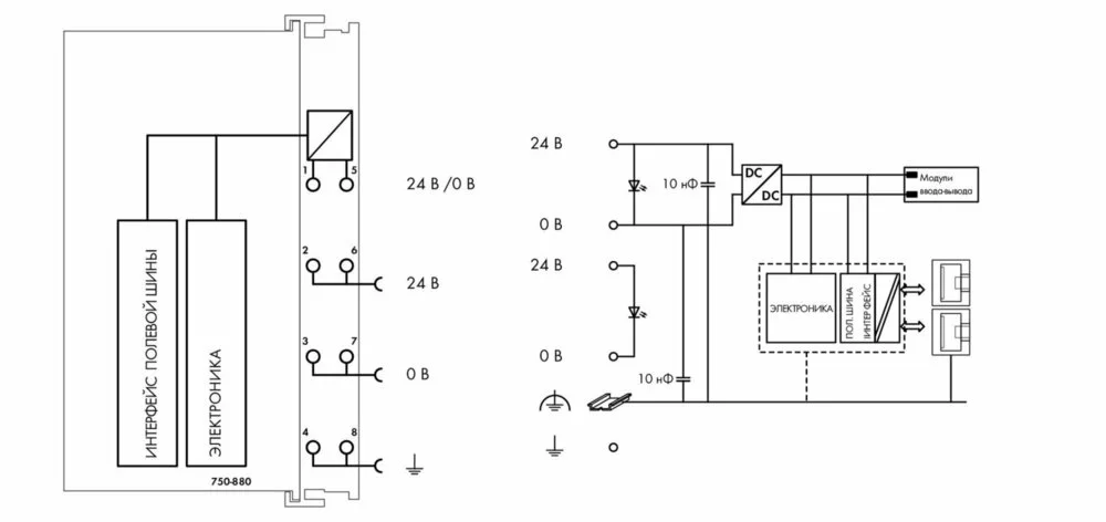
Напруга живлення системи 24 В постійного струму (-25…+30%); через
рівень проводки (з'єднання CAGE CLAMP®)
Струм, живлення системи (5 В) 450 мА
Загальний струм для живлення 1700 мА
Напруга мережі живлення 24 В постійного струму (-25 ... + 30%);
через силові перемички
Струмопідйомність силових перемичок контактів 10 А
Кількість контактів перемички вихідного живлення 3.
Зв'язок EtherNet/IP
Modbus TCP
Ethernet
Telecontrol protocols
Протоколи HTTP
BootP
DHCP
DNS
SNTP
FTP
SNMP
Протоколи телеуправління IEC 60870-5-101/-103/-104
IEC 61400-25
IEC 61850-7
DNP3
Програмування WAGO-I/O-PRO V2.3
Швидкість передачі Клас D згідно з EN 50173
Тип картки пам'яті SD та SDHC до 32 Гб (усі гарантовані
характеристики доступні лише у комбінації з карткою пам'яті WAGO
758-879/000-001.)
Кількість модулів введення-виводу (на вузол) 4
Тип. вхідний струм при номінальному навантаженні (24 В) 500 mA
Ефективність джерела живлення (тип.) при номінальному навантаженні
(24 В) 90 %
Ізоляція 500 В система/живлення
Дані з'єднання:
Технологія підключення: зв'язок / польова шина EtherNet/IP: 2 x
RJ-45; Modbus TCP/UDP: 2 x RJ-45; Telecontrol protocols: 1 x Serial
interface via I/O module; Telecontrol protocol IEC 60870-5-104: 1 x
RJ-45; Telecontrol protocol IEC 61850: 1 x RJ-45; Telecontrol
protocol DNP3: 1 x RJ-45
Технологія підключення: система живлення 2 x CAGE CLAMP®
Технологія підключення: постачання на місці 6 x CAGE CLAMP®
Тип підключення (1) System/field supply
Розміри одножильних провідників 0,08 … 2,5 mm² 28 … 14 AWG
Тонкі багатожильні провідники 0,08 … 2,5 mm² 28 … 14 AWG
Довжина зняття ізоляції 8 … 9 mm / 0.31 … 0.35 inch
Технологія підключення: Конфігурація пристрою 1 x 4-pole male
connector
Ширина 61,5 mm / 2.421 inch
Висота 71,9 mm / 2.831 inch
Висота від верхнього краю DIN-рейки 64,7 mm/ 2.547 inch
Довжина 100 mm / 3.937 inch
Вага 161,4 g
Колір світло-сірі
матеріал корпусу Polycarbonate, polyamide 6.6
Маркування відповідності CE
Вимоги до довкілля:
Surrounding air (operating) температура -20 … 60°C
Surrounding air (storage) температура -40 … 85°C
Ступінь захисту IP20
Ступінь забруднення (5) 2 per IEC 61131-2
Робоча висота безтемпературного зниження: 0 … 2000 м; with
temperature derating: 2000 … 5000 m (0.5 K/100 m); max.: 5000 m
Відносна вологість повітря (без конденсації) 95%
Relative humidity Short-term condensation per Class 3K6/IEC EN
60721-3-3 and E DIN 40046-721-3, таким чином, на рівні −20 … +60 °C
до розгляду (за винятком wind-driven precipitation, water and ice
formation)
Монтажне положення будь-яке
Тип монтажу DIN-рейка 35 мм
Вібростійкість 4g per IEC 60068-2-6
Ударостійкість 15g per IEC 60068-2-27
ЕМС – завадостійкість acc. to EN 61000-6-2, marine applications
ЕМС – випромінювання перешкод acc. to EN 61000-6-3, marine
applications
Стійкість до дії забруднюючих речовин Per IEC 60068-2-42 and IEC
60068-2-43
Permissible H2S contaminant concentration at a relative humidity 75
% 10 ppm
Permissible SO2 contaminant concentration at a relative humidity 75
% 25 ppm