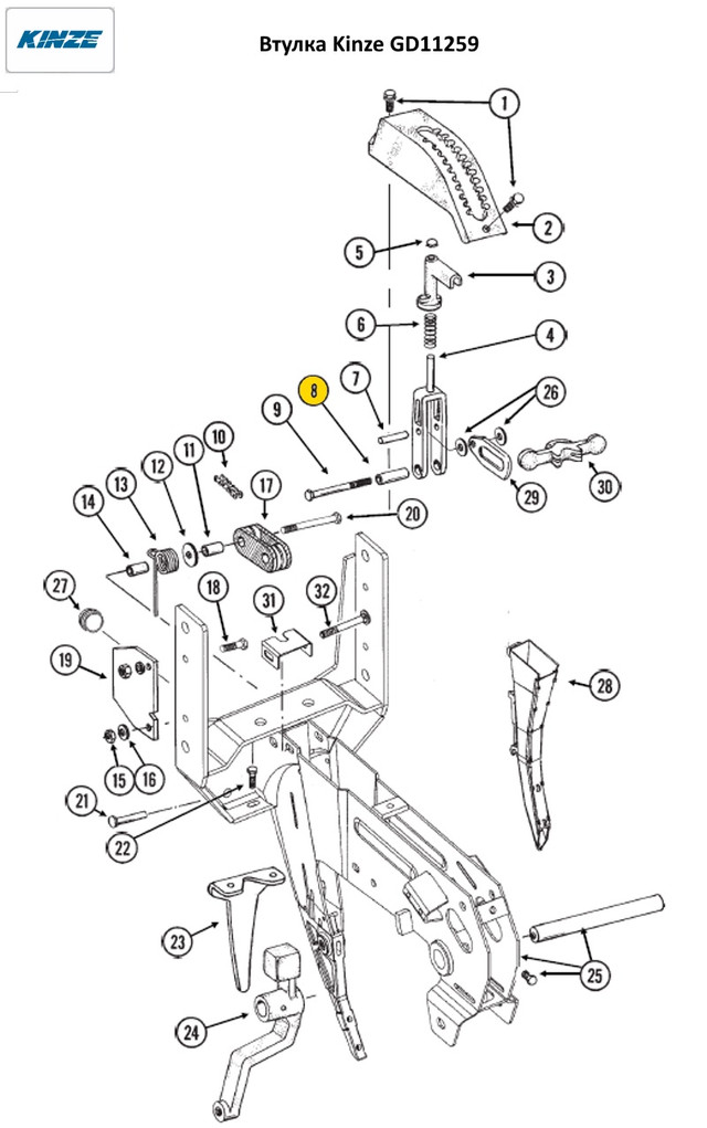
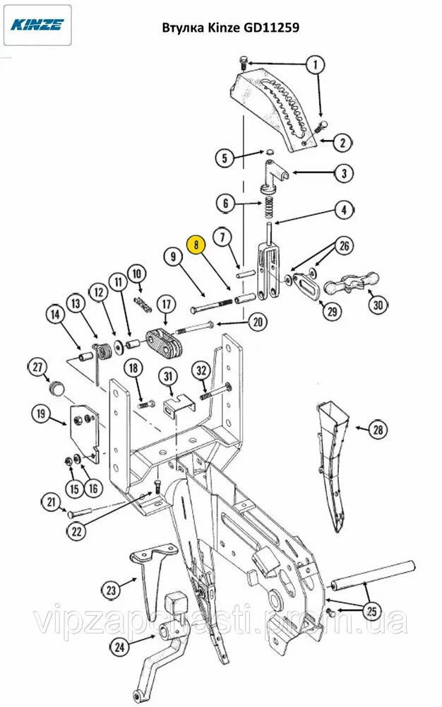
Втулка Kinze GD11259


1.- G11015 - 2 Hex Washer Head
Cap Screw, 3/8"-16 x 1 1/4"
2.- GB0274 - 1 - Cover, Depth
Adjustment
3.- GB0266 - 1 Handle, Depth
Adjustment
4.- GB0267 - 1 Lever, Depth
Adjustment
5.- GD3612 - 1 - Cap Plug
6.- GD10993 - 1 Spring
7.- GD13361 - 1 Pin, 3/8" x 1 2/3"
8.- GD11259 - 1 Sleeve, 3/8" I.D. x 5/8"
O.D. x 1 25/32" Long
9.- G11008 - 1 Hex Head Cap Screw,
3/8"-24 x 2 1/2", Grade 8
G11007 - 1 Lock
Nut, 3/8"-24, Grade C
10.- G3303-98 - 1 Chain, No. 41, 98
Pitch Including Connector Link
G3303-16 - 1
Chain, No. 41, 16 Pitch Including Connector Link
GR0196 - 1
Connector Link, No. 41
11.- GD1026 - 1 Sleeve, 1 3/16" Long
12.- G10201 - 1 Special Washer, 3/8" x 1
1/2" O.D.
13.- GD1065 - 1 Idler Spring
14.- GD7318 - 1 Sleeve, 1" Long
15.- G10108 - 1 Lock Nut, 3/8"-16
16.- G10210 - 1 Washer, 3/8" USS
17.- GD11962 - 1 Idler
18.- G10003 - 3 Hex Head Cap Screw,
3/8"-16 x 1 1/2"
G10108 - 3 Lock
Nut, 3/8"-16
19.- GD10867 - 2 Stop
20.- G10326 - 1 Hex Head Cap Screw,
3/8"-16 x 3 3/4"
21.- G10551 - 1 Clevis Pin, 1/4" x 2
1/2"
G10669 - 1 Hair
Pin Clip, No. 22
22.- G10312 - 2 Carriage Bolt,
5/16"-18 x 3/4"
G10620 - 2 -
Serrated Flange Nut, 5/16"-18
23.- GD1033 - 1 - Shield
24. - Wheel Arm, See “Gauge Wheels”, Pages P6 And P7
25. - GA10157 1 Shank W/Gauge Wheel
Pivot Spindle And Set Screw
GD11001 -
Spindle
G10438 -
Hex Head Cap Screw, 1/2"-13 x 3/4"
26.- G10207 - 2 Washer, 7/8" O.D. x
13/32" I.D. x .134" (If Applicable)
27.- GD11845 - 1 Dust Cap
28.- See “KPM I/KPM II Stack-Mode Electronic Seed Monitor”,
29.- GB0285 - 1 Collar, Depth
Adjustment
30.- GB0265 - 1 Pivot Link, Depth
Adjustment
31.- GD15970 - 1 Sun Shade
32.- G10304 - 1 Carriage Bolt, 3/8"-16 x
3"
G10108 - 1 Lock
Nut, 3/8"-16
Безналичный расчёт
Наличный расчёт
Наложенный платеж
Предоплата
Новая Почта
Самовывоз
Интайм
Автолюкс
Гюнсел
Ночной Экспресс
Повернення і обмін
Відповідно до закону України «про захист прав споживачів» ви можете протягом 14 днів з моменту покупки повернути або обміняти товар, придбаний в магазині, за умови виконання всіх норм передбачених законом. Умови обміну / повернення товару належної якості стаття 9. Відповідно до закону України «про захист прав споживачів»: споживач має право обміняти непродовольчий товар належної якості на аналогічний у продавця, у якого він був придбаний, якщо товар не задовольнив його за формою, габаритами, фасоном, кольором, розміром або з інших причин не може бути ним використаний за призначенням. Споживач має право на обмін товару належної якості протягом чотирнадцяти днів, не рахуючи дня покупки. споживач (термін вживається в такому значенні згідно статті 1. п.22 закону України «про захист прав споживачів») – фізична особа, яка купує, замовляє, використовує або має намір придбати чи замовити продукцію для особистих потреб, не пов’язаних з підприємницькою діяльністю або виконанням обов’язків найманого працівника. обмін або повернення товару належної якості провадиться: якщо не використовувався; якщо збережено його товарний вигляд, споживчі властивості, пломби, ярлики; на підставі розрахунковий документ, виданий споживачеві разом з проданим товаром. умови обміну / повернення товару неналежної якості стаття 8. Згідно із законом України «про захист прав споживачів»: в разі виявлення протягом встановленого гарантійного строку недоліків споживач, в порядку та в строки, встановлені законодавством, має право вимагати безоплатного усунення недоліків товару в розумний строк. вимоги споживача, передбачених цією статтею, не підлягають задоволенню, якщо продавець, виробник (підприємство, що задовольняє вимоги споживача, встановлені частиною першою цієї статті) доведуть, що недоліки товару виникли внаслідок порушення споживачем правил користування товаром або його зберігання. Споживач має право брати участь у перевірці якості товару особисто або через свого представника.