Дискретний модуль виведення 16 каналів 750-1505 Wago 0,5 А; Включення по низькому рівню; світло-сірі.
Має ширину всього всього 12 мм (0,47 дюйм).
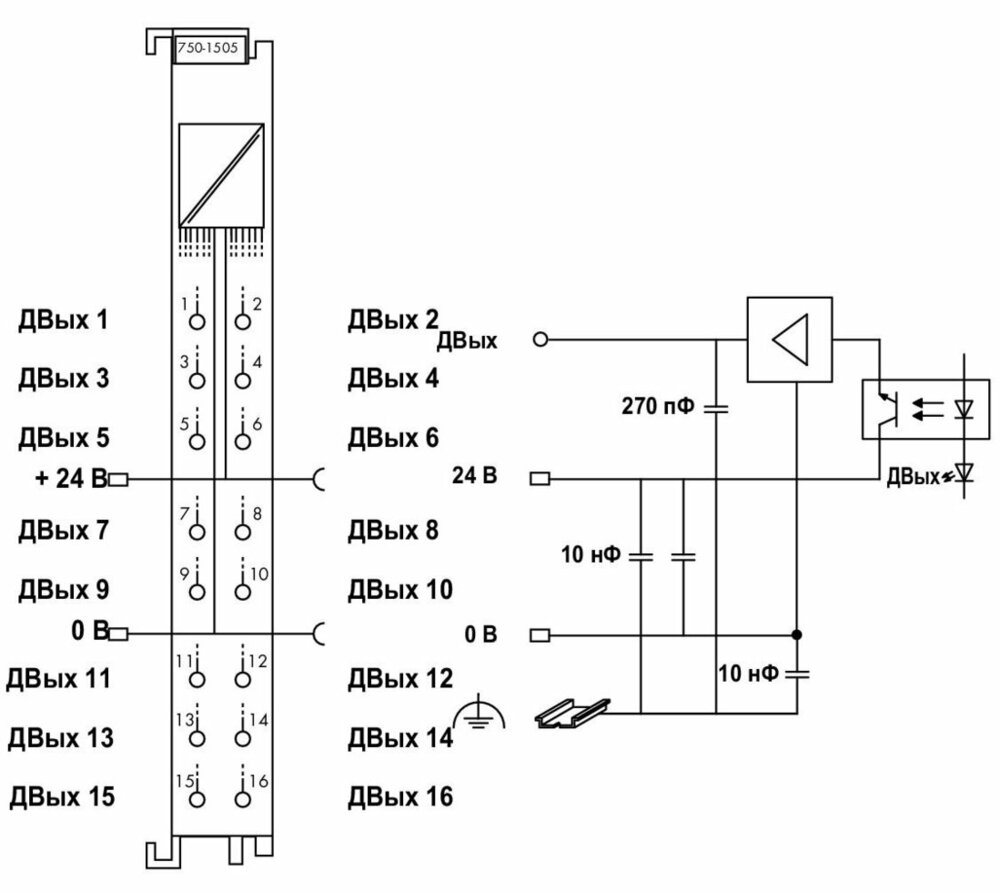
Він передає двійкові сигнали управління від облаштування автоматизації до підключених виконавчих механізмів (наприклад, магнітним клапанам, контакторам, передавачам, реле або іншим електричним навантаженням).
Клеми Push - in CAGE CLAMP® забезпечують безпосередню вставку одножильних провідників.
Зелений світлодіодний індикатор вказує для кожного каналу поточний стан.
Оптрон забезпечує електричну ізоляцію шини від польового рівня.
Технічні дані:
Количество цифровых выходов 16
Общее количество каналов (модуль) 16
Тип сигнала напряжения постоянного тока 24
В
Подключение привода 16 x (1 проводник)
Характеристика выхода Переключение нижней
стороны
Выходной ток на канал 0,5 А
Частота переключения макс. 1
кГц
Макс. Датанбрайт аусгансдатен (стажер)
16 бит
Напряжение питания системы постоянного тока 5
В; через данные контакты
Потребляемый ток, питание системы (5 В) 40
мА
Напряжение питающей сети постоянного тока 24 В (-25…
+ 30%); über Leistungskontakte (Einspeisung
über Messerkontakt; Weiterleitung über Federkontakt)
Потребляемый ток, полевое питание (модуль без
внешней нагрузки) 11 мА
Светодиодные индикаторы (1-16) зеленого цвета:
состояние DO 1… DO 16
Количество входных контактов перемычки питания
2
Количество контактов перемычки исходящего питания
2
Токоподъемность силовых перемычек контактов 10
А.
| тип сигнала | Voltage |
Данные соединения:
| Размеры одножильных проводников | 0,08 … 1,5 mm² / 28 … 16 AWG |
| Тонкие многожильные проводники | 0,25 … 1,5 mm² / 22 … 16 AWG |
| Длина снятия изоляции | 8 … 9 mm / 0.31 … 0.35 inch |
Технология подключения: входы / выходы 16 x Push-in CAGE
CLAMP®
Тип подключения (1) Входы /
Выходы.
Геометрические данные:
| Ширина | 12 mm / 0.472 inch |
| Высота | 69 mm / 2.717 inch |
| Высота от верхнего края DIN-рейки | 61,8 mm / 2.433 inch |
| Длина | 100 mm / 3.937 inch |
| Тип монтажа | DIN-рейка 35 мм |
| Цвет | светло-серые |
| материал корпуса | Polycarbonate, polyamide 6.6 |
| Вес | 47,5 g |
| Маркировка соответствия | CE |
Требования к окружающей среде:
Температура окружающего воздуха (рабочая) 0… 55 ° C
Температура окружающего воздуха (хранилища) -40… 85
° С
Допустимая концентрация загрязнителя H2S при
относительной влажности 75% 10 ppm
Допустимая концентрация загрязнителя SO2 при
относительной влажности 75% 25 ppm
| Степень защиты | IP20 |
| Степень загрязнения (5) | 2 per IEC 61131-2 |
| Рабочая высота | 0 … 2000 m |

Наличный расчёт
Безналичный расчёт
Новая Почта(отделение)
Повернення і обмін
Відповідно до закону України «про захист прав споживачів» ви можете протягом 14 днів з моменту покупки повернути або обміняти товар, придбаний в магазині, за умови виконання всіх норм передбачених законом. Умови обміну / повернення товару належної якості стаття 9. Відповідно до закону України «про захист прав споживачів»: споживач має право обміняти непродовольчий товар належної якості на аналогічний у продавця, у якого він був придбаний, якщо товар не задовольнив його за формою, габаритами, фасоном, кольором, розміром або з інших причин не може бути ним використаний за призначенням. Споживач має право на обмін товару належної якості протягом чотирнадцяти днів, не рахуючи дня покупки. споживач (термін вживається в такому значенні згідно статті 1. п.22 закону України «про захист прав споживачів») – фізична особа, яка купує, замовляє, використовує або має намір придбати чи замовити продукцію для особистих потреб, не пов’язаних з підприємницькою діяльністю або виконанням обов’язків найманого працівника. обмін або повернення товару належної якості провадиться: якщо не використовувався; якщо збережено його товарний вигляд, споживчі властивості, пломби, ярлики; на підставі розрахунковий документ, виданий споживачеві разом з проданим товаром. умови обміну / повернення товару неналежної якості стаття 8. Згідно із законом України «про захист прав споживачів»: в разі виявлення протягом встановленого гарантійного строку недоліків споживач, в порядку та в строки, встановлені законодавством, має право вимагати безоплатного усунення недоліків товару в розумний строк. вимоги споживача, передбачених цією статтею, не підлягають задоволенню, якщо продавець, виробник (підприємство, що задовольняє вимоги споживача, встановлені частиною першою цієї статті) доведуть, що недоліки товару виникли внаслідок порушення споживачем правил користування товаром або його зберігання. Споживач має право брати участь у перевірці якості товару особисто або через свого представника.