Контролер крокового привода Wago 750-672 - 70 В пост. струму; 7,5 A; світло-сірі.
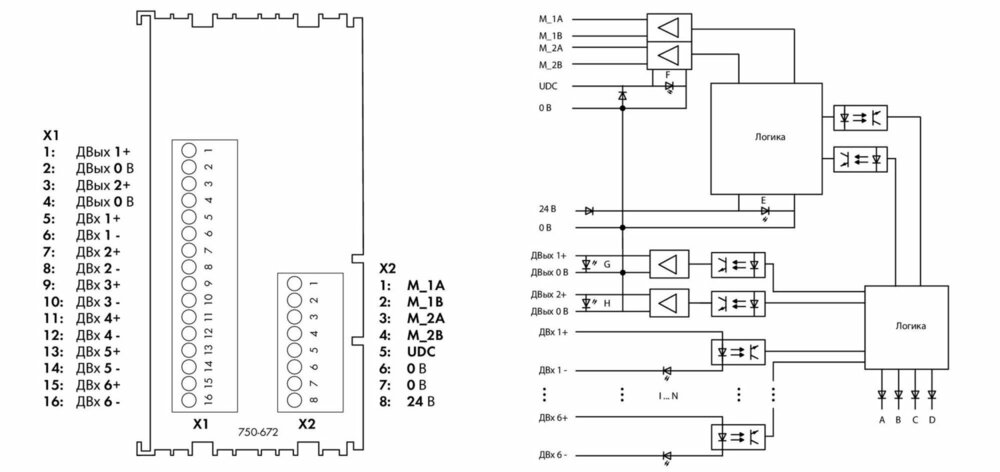
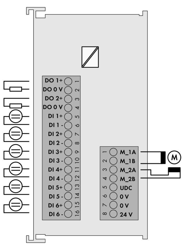
Є інтелектуальним контроллером крокового приводу зі встановленим силовим приводом, призначеним для управління 2-фазними кроковими двигунами до 70 В / 7,5 А. 64-кратне масштабування мікрокоманд перешкоджає втраті кроків із-за резонансу у фазі прискорення і перешкоджає надмірному зносу механічних частин. Регульовані обмеження струму при останові, прискоренні і постійній швидкості допомагають мінімізувати розсіяння потужності двигуна. шість входів, що конфігуруються, для пуску/останову, кінцевого обмеження, початкової установки, поштовхового/покрокового переміщення і т.п. можуть безпосередньо оброблятися внутрішнім програмним забезпеченням без всякої затримки. Два виходи можуть бути пов'язані з внутрішніми функціями або ж використовуватися вільно. Завдяки гнучким можливостям, таким як позиціонування з різним лінійним прискоренням, використання таблиць команд, функція розподільного валу, автоматичний опорний сигнал, і іншим керованим подіями характеристикам модуль підходить для широкого діапазону сфер застосування. Інтерфейс програмування однаковий для усіх модулів контроллерів крокових приводів WAGO.
Технічні дані:
| Устройство | Входы (предустановки): ДВх 1: останов привода, ДВх 2: контрольный вход, ДВх 3: толчковый переключатель в положительном направлении, ДВх 4: толчковый переключатель в отрицательном направлении, ДВх 5: концевой выключатель в положительном направлении, ДВх 6: концевой выключатель в отрицательном направлении; выходы (предустановки): ДВых 1: цель достигнута, ДВых 2: ошибка. Входы и выходы могут быть произвольно переконфигурированы. |
Количество цифровых выходов 2.
| Количество выходов | 1 шаговый двигатель (2 фазы) |
| Входной фильтр | 100 мкс, может быть установлен программный фильтр |
| Входной ток (тип.) | 2,8 мA |
Выходной ток на канал 0,5 А
Частота переключения макс. 5 Гц; индуктивная нагрузка по
IEC947-5-1, DC13
Разрешение Степпер 23 бита + знаковый бит
Индуктивная нагрузка Lastart der Schaltfrequenz согласно
IEC947-5-1, DC13
Schrittfrequenz, Vollschritt max 7 812 Гц
Напряжение питания системы постоянного тока 5 В; через данные
контакты
Потребляемый ток, питание от сети (5 В) 70 мА.
Данные соединения:
Технология подключения: входы / выходы 24 x CAGE CLAMP®
Тип подключения (1) Входы / Выходы
Anschlussanforderung zulässige Leitungslänge 30 м
Требования к соединению (допустимый тип кабеля) Подключение
двигателя: экранированный
| Тонкие многожильные проводники | 0,08 … 1,5 mm² / 28 … 14 AWG |
| Длина снятия изоляции | 5 … 6 mm / 0.2 … 0.24 inch |
| Ширина | 48 mm / 1.89 inch |
| Высота | 69,8 mm / 2.748 inch |
| Высота от верхнего края DIN-рейки | 62,6 mm / 2.465 inch |
| Длина | 100 mm / 3.937 inch |
| Тип монтажа | DIN-рейка 35 мм |
| Цвет | светло-серые |
| материал корпуса | Polycarbonate, polyamide 6.6 |
| Вес | 175 g |
| Маркировка соответствия | CE |
Требования к окружающей среде:
Температура окружающего воздуха (рабочая) 0… 55 ° C
Температура окружающего воздуха (хранилища) -40… 85 ° С
Допустимая концентрация загрязнителя H2S при относительной
влажности 75% 10 ppm
Допустимая концентрация загрязнителя SO2 при относительной
влажности 75% 25 ppm
| Степень защиты | IP20 |
| Степень загрязнения (5) | 2 per IEC 61131-2 |
| Рабочая высота | 0 … 2000 m |

Наличный расчёт
Безналичный расчёт
Новая Почта(отделение)
Повернення і обмін
Відповідно до закону України «про захист прав споживачів» ви можете протягом 14 днів з моменту покупки повернути або обміняти товар, придбаний в магазині, за умови виконання всіх норм передбачених законом. Умови обміну / повернення товару належної якості стаття 9. Відповідно до закону України «про захист прав споживачів»: споживач має право обміняти непродовольчий товар належної якості на аналогічний у продавця, у якого він був придбаний, якщо товар не задовольнив його за формою, габаритами, фасоном, кольором, розміром або з інших причин не може бути ним використаний за призначенням. Споживач має право на обмін товару належної якості протягом чотирнадцяти днів, не рахуючи дня покупки. споживач (термін вживається в такому значенні згідно статті 1. п.22 закону України «про захист прав споживачів») – фізична особа, яка купує, замовляє, використовує або має намір придбати чи замовити продукцію для особистих потреб, не пов’язаних з підприємницькою діяльністю або виконанням обов’язків найманого працівника. обмін або повернення товару належної якості провадиться: якщо не використовувався; якщо збережено його товарний вигляд, споживчі властивості, пломби, ярлики; на підставі розрахунковий документ, виданий споживачеві разом з проданим товаром. умови обміну / повернення товару неналежної якості стаття 8. Згідно із законом України «про захист прав споживачів»: в разі виявлення протягом встановленого гарантійного строку недоліків споживач, в порядку та в строки, встановлені законодавством, має право вимагати безоплатного усунення недоліків товару в розумний строк. вимоги споживача, передбачених цією статтею, не підлягають задоволенню, якщо продавець, виробник (підприємство, що задовольняє вимоги споживача, встановлені частиною першою цієї статті) доведуть, що недоліки товару виникли внаслідок порушення споживачем правил користування товаром або його зберігання. Споживач має право брати участь у перевірці якості товару особисто або через свого представника.