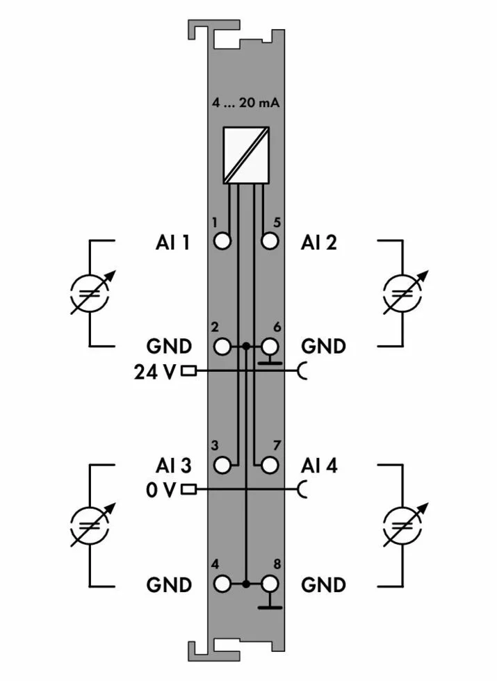
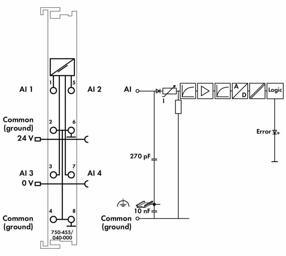
Модуль аналогового введення 4 - 20 мА Wago 750-455/040-000, 4 аналогові входи, Несиметричний; Зовнішня температура; темно-сірі.
Вхідний сигнал електрично ізольований і передається з дозволом 12 біт.
Для енергопостачання модуля використовується внутрішнє системне живлення.
Вхідні канали модуля мають загальний потенціал землі.
Модуль ідеально підходить для використання в тяжких умовах
довкілля :
- значно збільшений температурний діапазон
- підвищена діелектрична міцність і стійкість до електромагнітних
завад
- підвищена вібростійка.
Технічні дані
| Количество аналоговых входов | 4 |
| Общее количество каналов (модуль) | 4 |
| тип сигнала | Current |
| Тип сигнала тока | DC 4 … 20 mA |
| Подключение датчика | 4 x (2-conductor) |
Данные соединения:
| Технология подключения: входы / выходы | 8 x CAGE CLAMP® |
| Тип подключения (1) | Inputs/Outputs |
| Размеры одножильных проводников | 0,25 … 2,5 mm² / 24 … 14 AWG |
| Тонкие многожильные проводники | 0,25 … 2,5 mm² / 24 … 14 AWG |
| Длина снятия изоляции | 8 … 9 mm / 0.31 … 0.35 inch |
Геометрические данные:
| Ширина | 12 mm / 0.472 inch |
| Высота | 67,8 mm / 2.669 inch |
| Высота от верхнего края DIN-рейки | 60,6 mm / 2.386 inch |
| Длина | 100 mm / 3.937 inch |
| Тип монтажа | DIN-рейка 35 мм |
| Цвет | темно-серые |
| материал корпуса | Поликарбонат, полиамид 6,6 |
| Вес | 51,3 g |
| Маркировка соответствия | CE |
Требования к окружающей среде:
| Температура окружающего воздуха (рабочая) | -40 … 70 °C |
| Температура окружающего воздуха (хранилища) | -40 … 85 °C |
| Степень защиты | IP20 |
| Степень загрязнения (5) | 2 per IEC 61131-2 |
| Рабочая высота | без понижения температуры: 0… 2000 м; с понижением температуры: 2000… 5000 м (0,5 К / 100 м); Макс .: 5000 м |

Наличный расчёт
Безналичный расчёт
Новая Почта(отделение)
Повернення і обмін
Відповідно до закону України «про захист прав споживачів» ви можете протягом 14 днів з моменту покупки повернути або обміняти товар, придбаний в магазині, за умови виконання всіх норм передбачених законом. Умови обміну / повернення товару належної якості стаття 9. Відповідно до закону України «про захист прав споживачів»: споживач має право обміняти непродовольчий товар належної якості на аналогічний у продавця, у якого він був придбаний, якщо товар не задовольнив його за формою, габаритами, фасоном, кольором, розміром або з інших причин не може бути ним використаний за призначенням. Споживач має право на обмін товару належної якості протягом чотирнадцяти днів, не рахуючи дня покупки. споживач (термін вживається в такому значенні згідно статті 1. п.22 закону України «про захист прав споживачів») – фізична особа, яка купує, замовляє, використовує або має намір придбати чи замовити продукцію для особистих потреб, не пов’язаних з підприємницькою діяльністю або виконанням обов’язків найманого працівника. обмін або повернення товару належної якості провадиться: якщо не використовувався; якщо збережено його товарний вигляд, споживчі властивості, пломби, ярлики; на підставі розрахунковий документ, виданий споживачеві разом з проданим товаром. умови обміну / повернення товару неналежної якості стаття 8. Згідно із законом України «про захист прав споживачів»: в разі виявлення протягом встановленого гарантійного строку недоліків споживач, в порядку та в строки, встановлені законодавством, має право вимагати безоплатного усунення недоліків товару в розумний строк. вимоги споживача, передбачених цією статтею, не підлягають задоволенню, якщо продавець, виробник (підприємство, що задовольняє вимоги споживача, встановлені частиною першою цієї статті) доведуть, що недоліки товару виникли внаслідок порушення споживачем правил користування товаром або його зберігання. Споживач має право брати участь у перевірці якості товару особисто або через свого представника.