Каталог товарів

Модуль введення двоаналоговий, 750-465

в наявності
код: № позиции 750-465
500,00 грн. /шт
Регіон: Україна, Київська обл., Київ
Написати продавцю
Перевірений постачальник
На Агробіз
5 Років
Час відповіді:
більше доби
Опис товару

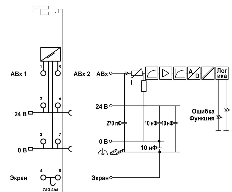
Двоаналоговый модуль введення забезпечує харчуванням 2-дротяні перетворювачі, може приймати і передавати аналогові сигнали на польові пристрої.

Екран безпосередньо під'єднується до DIN- рейці.

Також наша компанія пропонує програмований контроллер польової шини Wago.

Технічні дані аналогових модулів введення WAGO

Number of analog inputs 2
Total number of channels (module) 2
тип сигнала Current
Type of signal current DC 0 … 20 mA
Sensor connection 2 x (2-conductor, 3-conductor)
Eingangsfilterfrequenz analog 50 Hz
Входное напряжение (макс.) 24 В
Входное напряжение нелинейное, с защитой от перегрузки, V = 1,2 В + 100 Ом x Iизм.
Signal characteristic Single-ended
Разрешение [бит] 15 Bit
Input resistance max. 220 Ω
Битовая ширина 2 х 16 бит - данные, 2 х 8 бит - управление/состояние (опционально)
Защита от перенапряжения 30 В, с защитой от обращения полярности
Шумоподавление на частоте дискретизации -100 dB
Шумоподавление выше частоты дискретизации -40 dB
Время преобразования (тип.) 80 ms
Messfehler, Bezugstemperatur 25 °C
Messfehler, Abweichung max. vom Messbereichsendwert 0,1 %
Temperaturfehler max. vom Messbereichsendwert 0,01 %/K
System supply voltage DC 5 V; via data contacts
Current consumption, system supply (5 V) 75 mA
Field supply voltage DC 24 V (-25 … +30 %); über Leistungskontakte (Einspeisung über Messerkontakt; Weiterleitung über Federkontakt)
Изоляция 500 В система/питание
Number of incoming power jumper contacts 2
Number of outgoing power jumper contacts 2

Данные соединения

Connection technology: In-/Outputs 8 x CAGE CLAMP®
Connection type (1) Inputs/Outputs
Размеры одножильных проводников 0,08 … 2,5 mm² / 28 … 14 AWG
Тонкие многожильные проводники 0,08 … 2,5 mm² / 28 … 14 AWG
Длина снятия изоляции 8 … 9 mm / 0.31 … 0.35 inch

Geometrical Data

Ширина 12 mm / 0.472 inch
Высота 69,8 mm / 2.748 inch
Высота от верхнего края DIN-рейки 62,6 mm / 2.465 inch
Длина 100 mm / 3.937 inch

Механические данные

Тип монтажа DIN-рейка 35 мм

Material Data

Цвет светло-серые
материал корпуса Polycarbonate, polyamide 6.6
Пожарная нагрузка 1,311 MJ
Вес 52,5 g
Маркировка соответствия CE

Environmental Requirements

Surrounding air (operating) temperature 0 … 55 °C
Surrounding air (storage) temperature -40 … 85 °C
Степень защиты IP20
Степень загрязнения (5) 2 per IEC 61131-2
Рабочая высота 0 … 2000 m
Монтажное положение horizontal (standing/lying) or vertical
Относительная влажность воздуха (без конденсации) 95 %
Виброустойчивость 4g per IEC 60068-2-6
Ударопрочность 15g per IEC 60068-2-27
ЭМС - помехоустойчивость acc. to EN 61000-6-2, marine applications
ЭМС - излучение помех acc. to EN 61000-6-4, marine applications
Устойчивость к воздействию загрязняющих веществ Per IEC 60068-2-42 and IEC 60068-2-43
Permissible H2S contaminant concentration at a relative humidity 75 % 10 ppm
Permissible SO2 contaminant concentration at a relative humidity 75 % 25 ppm
читати далі згорнути
Характеристики
Вид
Назначение
управление технологическим процессом
Сфера функционирования
промышленные
Вид управляемого процесса
технологический
Вид управления
анализ, контроль и учёт
Основные функции
преобразование содержания информации (анализ исходных данных)
Индикация
световая
Интерфейс для подключения внешних устройств
RS485
Тип управления
локальное
читати далі згорнути
Варіанти оплати

Наличный расчёт

Безналичный расчёт

Варіанти доставки

Новая Почта(отделение)

Повернення і обмін
Відповідно до закону України «про захист прав споживачів» ви можете протягом 14 днів з моменту покупки повернути або обміняти товар, придбаний в магазині, за умови виконання всіх норм передбачених законом. Умови обміну / повернення товару належної якості стаття 9. Відповідно до закону України «про захист прав споживачів»: споживач має право обміняти непродовольчий товар належної якості на аналогічний у продавця, у якого він був придбаний, якщо товар не задовольнив його за формою, габаритами, фасоном, кольором, розміром або з інших причин не може бути ним використаний за призначенням. Споживач має право на обмін товару належної якості протягом чотирнадцяти днів, не рахуючи дня покупки. споживач (термін вживається в такому значенні згідно статті 1. п.22 закону України «про захист прав споживачів») – фізична особа, яка купує, замовляє, використовує або має намір придбати чи замовити продукцію для особистих потреб, не пов’язаних з підприємницькою діяльністю або виконанням обов’язків найманого працівника. обмін або повернення товару належної якості провадиться: якщо не використовувався; якщо збережено його товарний вигляд, споживчі властивості, пломби, ярлики; на підставі розрахунковий документ, виданий споживачеві разом з проданим товаром. умови обміну / повернення товару неналежної якості стаття 8. Згідно із законом України «про захист прав споживачів»: в разі виявлення протягом встановленого гарантійного строку недоліків споживач, в порядку та в строки, встановлені законодавством, має право вимагати безоплатного усунення недоліків товару в розумний строк. вимоги споживача, передбачених цією статтею, не підлягають задоволенню, якщо продавець, виробник (підприємство, що задовольняє вимоги споживача, встановлені частиною першою цієї статті) доведуть, що недоліки товару виникли внаслідок порушення споживачем правил користування товаром або його зберігання. Споживач має право брати участь у перевірці якості товару особисто або через свого представника.

читати далі згорнути
Покупці цього товару також цікавилися
ТОП
продажу
код: № позиции 750-1515/040-000
500,00 грн. /шт
в наявності
ТОП
продажу
код: № позиции 750-400
500,00 грн. /шт
в наявності
ТОП
продажу
код: 806-906
10,00 грн. /шт
в наявності
ТОП
продажу
код: 243-212
10,00 грн. /шт
в наявності
ТОП
продажу
код: № позиции 2002-1204
10,00 грн. /шт
в наявності
ТОП
продажу
код: № позиции 2002-2207
10,00 грн. /шт
в наявності
ТОП
продажу
код: 280-870
10,00 грн. /шт
в наявності
ТОП
продажу
код: 750-352/040-000
5 400,00 грн. /шт
в наявності
ТОП
продажу
код: 750-880/025-002
5 400,00 грн. /шт
в наявності
ТОП
продажу
код: 750-963
5 400,00 грн. /шт
в наявності
ТОП
продажу
код: 750-438
500,00 грн. /шт
в наявності
код: № позиции 2002-3231
10,00 грн. /шт
в наявності

Ви переглядали

Зараз шукають

Спецрахунок НБУ
Фонд "Повернись живим"
Фонд Сергія Притули
Ще не зареєстровані?
Реєстрація
Вже зареєстровані? Увійти
Вже зареєстровані? Увійти